الخلف

الإبلاغ عن خطأ

You cannot submit an empty report. Please add some details.
2

الرخصة المهنية

اختبارات عامر التعليمية

اختبار الرخصة المهنية فيزياء تجميعات 1446 هـ

  1 -   يحتوي اختبار الرخصة المهنية الفيزياء تجميعات 1446 هـ على (56) سؤال موزعين في جميع المعايير.

2 -  يشمل الاختبار الأقسام الآتية (المنهج العلمي وتطور علم الفيزياء، التجارب العلمية والمهارات الرياضية، الميكانيكا والموائع، الكهربائية والمعناطيسية، الحرارة وخواص المادة، الموجات والضوء، الفيزياء الحديثة، مهارات تدريس الفيزياء).

3 -   يحتوي الاختبار على حل لجميع الأسئلة.

4 -   معد من قبل مدربين محترفين ومصمم بجودة عالية.

للحصول على كلمة المرور الخاصة بالاختبار بسعر مخفض من خلال متجر حقائب عامر التعليمية اضغط هنا

1 / 56

القسم: تجميعات الفيزياء ١٤٤٦ ه‍

نظام مكون من كتلتين متصلتين ببكرة على مستوى أملس كما في الشكل ما مقدار تسارع النظام معتبر تسارع الجاذبية الأرضية (g=10m/s²)، (cos 30 = √3/2) ، (sin 30 = 1/2):

2 / 56

القسم: تجميعات الفيزياء ١٤٤٦ ه‍

ما الزاوية بين اتجاه المجال المغناطيسي وحركة الشحنة الكهربائية التي تنعدم عندها القوة المغناطيسية:

3 / 56

القسم: تجميعات الفيزياء ١٤٤٦ ه‍

نابض هوك ثابت صلابته (70N/m) تؤثر عليه قوة فيستطيل بمقدار (25cm) احسب مقدار الشغل المبذول على النابض بوحدة الجول:

4 / 56

القسم: تجميعات الفيزياء ١٤٤٦ ه‍

يستخدم فني إطارات السيارات ما يسمى (ترصيص الإطار) الهدف من هذا الإجراء هو:

5 / 56

القسم: تجميعات الفيزياء ١٤٤٦ ه‍

بروتون كتلته السكونية (mo = 1.67 x 10-²⁷) أوجد كتلته النسبية عندما يتحرك بسرعة (v/c = % 80) من سرعة الضوء:

6 / 56

القسم: تجميعات الفيزياء ١٤٤٦ ه‍

يحدث اندماج نووي بين نواتين (A , B) فتنتج بعد الاندماج نواة جديدة (C)، فالعلاقة الصحيحة بين كتل الأنوية هي:

7 / 56

القسم: تجميعات الفيزياء ١٤٤٦ ه‍

مقدار القوة الكهربائية بوحدة نيوتن المؤثرة على إلكترون داخل مجال كهربائي منتظم قيمته (500N/C) ، (q = 1.6 x 10-¹⁹ C):

8 / 56

القسم: تجميعات الفيزياء ١٤٤٦ ه‍

جسيم ليس له شحنة هو:

9 / 56

القسم: تجميعات الفيزياء ١٤٤٦ ه‍

في نهاية فصل العدسات طلب المعلم من الطلاب صنع تيلسكوب يعتب ذلك:

10 / 56

القسم: تجميعات الفيزياء ١٤٤٦ ه‍

مكبس هيدروليكي مساحة أحد سطحيه أكبر ب 40 مرة من مساحة الآخر كم القوة اللازمة بوحدة النيوتن لرفع سيارة وزنها (N 2 × 10⁴):

11 / 56

القسم: تجميعات الفيزياء ١٤٤٦ ه‍

صمم رشاش ماء نصف قطره (100cm) ليدور بسرعة ثابتة إذا علمت أن السرعة الخطية لفوهات توزيع الماء (0.1cm/s) ما مقدار سرعته الزاوية بوحدة (rad/s):

12 / 56

القسم: تجميعات الفيزياء ١٤٤٦ ه‍

العالم المسلم الذي ألف كتاب ميزان الحكمة وكانت له إسهامات في فيزياء الحركة وقام بصنع بعض الآلات هو:

13 / 56

القسم: تجميعات الفيزياء ١٤٤٦ ه‍

موصل دائري يمر به تيار كهربائي، أكبر شدة مجال مغناطيسي في مركز الحلقة يمثل الشكل:

14 / 56

القسم: تجميعات الفيزياء ١٤٤٦ ه‍

من خلال معادلة المستقيم التالية (Y = −mX − b) حيث (m , b) لا تساوي الصفر أي المنحنيات التالية تمثل المعادلة:

15 / 56

القسم: تجميعات الفيزياء ١٤٤٦ ه‍

أي من القيم الآتية لا يمكن أن تكون محصلة لقوتين مقدارهما (15 , 12):

16 / 56

القسم: تجميعات الفيزياء ١٤٤٦ ه‍

إذا انتقل شعاع ضوئي من وسط معامل انكساره صغير إلى وسط معامل انكساره كبير فإن الضوء المنكسر:

17 / 56

القسم: تجميعات الفيزياء ١٤٤٦ ه‍

عند دوران قمر حول كوكبه فإن الشغل المبذول بواسطة قوة الجاذبية صفر لأن:

18 / 56

القسم: تجميعات الفيزياء ١٤٤٦ ه‍

الرمز الموضح في الصورة يدل على:

اختبارات عامر التعليمية

19 / 56

القسم: تجميعات الفيزياء ١٤٤٦ ه‍

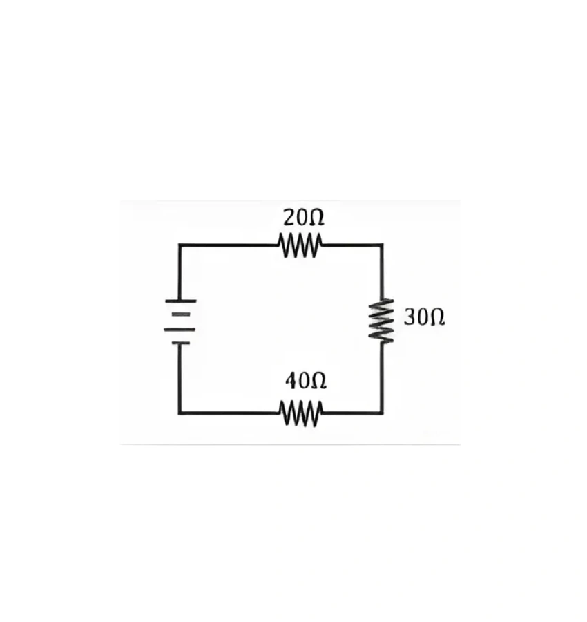
المقاومة المكافئة في الدائرة الموضحة هي:

اختبارات عامر التعليمية

20 / 56

القسم: تجميعات الفيزياء ١٤٤٦ ه‍

من خلال الشكل يتدفق ماء في أنبوب عبر (3) مقاطع مختلفة المساحة أي التالي صحيح فيما يخص كتلة السائل المتدفق:

21 / 56

القسم: تجميعات الفيزياء ١٤٤٦ ه‍

قسم المعلم الطلاب إلى مجموعتين وأعطى المجموعة (A) نوابض وقدم للمجموعة (B) فصل افتراضي فأي المجموعتين تعليمها أفضل:

22 / 56

القسم: تجميعات الفيزياء ١٤٤٦ ه‍

دخلت شحنة موجبة داخل مجال مغناطيسي كما بالشكل المسار الذي تسلكه الشحنة داخل المجال المغناطيسي:

اختبارات عامر التعليمية

23 / 56

القسم: تجميعات الفيزياء ١٤٤٦ ه‍

وقود درجة تجمده (-47) وغليانه (176) ما هي حالته عند درجة صفر مئوية:

24 / 56

القسم: تجميعات الفيزياء ١٤٤٦ ه‍

أي من السلوكيات التالية يمكن من خلالها تقييم الجانب الوجداني لدى المتعلم:

25 / 56

القسم: تجميعات الفيزياء ١٤٤٦ ه‍

تمثل العلاقة الآتية التغير في التدفق المغناطيسي (Ф=4t²+2t) بوحدة (m webar) خلال زمن مقداره (t=2s) فما مقدار القوة الدافعة الكهربائية بوحدة (mV):

26 / 56

القسم: تجميعات الفيزياء ١٤٤٦ ه‍

أثرت القوة (F) على مقبض الباب بزاوية كما في الشكل التالي فإن عزم الدوران حول نقطة (O) يكون:

27 / 56

القسم: تجميعات الفيزياء ١٤٤٦ ه‍

سقط حجر في بركة ماء محدثًا ثلاث نبضات في الماء (علوية وسفلية) خلال ثانية واحدة أحسب تردد الموجة الماء بوحدة الهيرتز:

28 / 56

القسم: تجميعات الفيزياء ١٤٤٦ ه‍

الشكل المقابل يمثل سقوط شعاع ضوئي على مرآة مستوية أوجد مقدار الزاوية المحصورة بين الشعاع الساقط والمنعكس:

اختبارات عامر التعليمية

29 / 56

القسم: تجميعات الفيزياء ١٤٤٦ ه‍

يوضح الشكل عدة قوى تؤثر على رافعة مهملة الكتلة ما مقدار القوة (F3) بوحدة نيوتن التي يجب التأثير بها لجعل الرافعة في حالة اتزان دوراني:

اختبارات عامر التعليمية

30 / 56

القسم: تجميعات الفيزياء ١٤٤٦ ه‍

أي من الآتي لا ينطبق على موجات دي برولي:

31 / 56

القسم: تجميعات الفيزياء ١٤٤٦ ه‍

في الرسم المقابل أي العربات طاقتها الحركية أكبر ما يمكن:

اختبارات عامر التعليمية

32 / 56

القسم: تجميعات الفيزياء ١٤٤٦ ه‍

سلكان متوازيان يمر بهما تياران متعاكسان والقوة المتبادلة بينهما مقدارها (F) أوجد التغير في مقدار القوة المتبادلة إذا زاد مقدار كل تيار ثلاثة أضعاف وقلت المسافة بينهما للضعف:

33 / 56

القسم: تجميعات الفيزياء ١٤٤٦ ه‍

التدفق المغناطيسي للسطح المغلق يساوي:

34 / 56

القسم: تجميعات الفيزياء ١٤٤٦ ه‍

أبعاد الجهد الكهربائي هي:

35 / 56

القسم: تجميعات الفيزياء ١٤٤٦ ه‍

البرنامج الدولي لتقييم الطلاب باللغة العربية والعلوم والرياضيات هو:

36 / 56

القسم: تجميعات الفيزياء ١٤٤٦ ه‍

مبدأ (.........) ينص على (الجسم المغمور في سائل يتعرض لقوة رأسية للأعلى تساوي وزن السائل المزاح):

37 / 56

القسم: تجميعات الفيزياء ١٤٤٦ ه‍

السعة المكافئة للمكثفات تساوي:

اختبارات عامر التعليمية

38 / 56

القسم: تجميعات الفيزياء ١٤٤٦ ه‍

يمثل الشكل المجاور في المختبر رمز:

اختبارات عامر التعليمية

39 / 56

القسم: تجميعات الفيزياء ١٤٤٦ ه‍

من خلال المنحنى الذي يبين تحول المادة من الحالة الصلبة أي من المراحل التي تحتوي على مزيج من الحالة الصلبة والسائلة:

اختبارات عامر التعليمية

40 / 56

القسم: تجميعات الفيزياء ١٤٤٦ ه‍

أي من الكميات الفيزيائية التالية تتناسب مع مقدار الطاقة التي تحملها الموجة الكهرومغناطيسية:

41 / 56

القسم: تجميعات الفيزياء ١٤٤٦ ه‍

أقل مقدار تغير في الطول الموجي لفوتونات أشعة (X) المشتتة في تجربة كومبتون يحدث عندما تخرج الأشعة من الهدف بزاوية تقترب من:

42 / 56

القسم: تجميعات الفيزياء ١٤٤٦ ه‍

عند المقارنة بين الأطوال الموجية (1 , 2 , 3) للموجات الكهرومغناطيسية فأي التالي صحيح:

اختبارات عامر التعليمية

43 / 56

القسم: تجميعات الفيزياء ١٤٤٦ ه‍

ما الكمية الفيزيائية التي تحددها معادلة الأبعاد التالية: (Y= ML²T-³):

44 / 56

القسم: تجميعات الفيزياء ١٤٤٦ ه‍

مادة مشعة كتلتها (8) جرام عمر النصف لها (20) يوم, كم يتبق منها بعد (80) يوم:

45 / 56

القسم: تجميعات الفيزياء ١٤٤٦ ه‍

غاز مثالي حجمه (V) وضغطه (P) عند درجة حرارة (T) زاد حجمه إلى أربعة أضعاف وقل ضغطه للنصف فإن درجة حرارته تصبح:

46 / 56

القسم: تجميعات الفيزياء ١٤٤٦ ه‍

كم مقدار الشغل المبذول عندما يقوم رجل بسحب صندوق على سطح أفقي أملس بقوة مقدارها (5N) بزاوية (30) على الأفقي فيتحرك مسافة (4m):

47 / 56

القسم: تجميعات الفيزياء ١٤٤٦ ه‍

ثلاث كرات الأولى تسقط من نافذة وبنفس اللحظة تقذف الثانية رأسيا للأعلى والثالثة تقذف أفقيا، فأي التالي صحيح:

48 / 56

القسم: تجميعات الفيزياء ١٤٤٦ ه‍

ثلاث شحنات نقطية موجبة إذا كانت القوة الكهربائية المحصلة على الشحنة المركزية تساوي صفر فما قيمة (y/x):

49 / 56

القسم: تجميعات الفيزياء ١٤٤٦ ه‍

علقت كتلة مقدارها (0.5kg) في نابض فاستطال النابض بمقدار (2cm) أوجد ثابت النابض بالوحدات الدولية:

50 / 56

القسم: تجميعات الفيزياء ١٤٤٦ ه‍

انطلقت رصاصة كتلتها (20g) أفقيًا بسرعة (300m/s) نحو قطعة خشبية ساكنة كتلتها (580g) واستقرت داخلها ويتحركان كجسم واحد ماهي السرعة التي يتحركان بها:

51 / 56

القسم: تجميعات الفيزياء ١٤٤٦ ه‍

عدسة محدبة لها بعد بؤري (8cm) أين يجب وضع الجسم أمامها لكي نحصل على صورة حقيقية مكبرة أربع مرات:

52 / 56

القسم: تجميعات الفيزياء ١٤٤٦ ه‍

المعدل الزمني لتدفق الشحنة الكهربائية هو:

53 / 56

القسم: تجميعات الفيزياء ١٤٤٦ ه‍

الصور المتكونة المرايا المستوية تكون:

54 / 56

القسم: تجميعات الفيزياء ١٤٤٦ ه‍

عندما تقل الطاقة الحرارية لغاز مثالي فأي التالي صحيح فيما يخص جزيئاته:

55 / 56

القسم: تجميعات الفيزياء ١٤٤٦ ه‍

طائرة تحلق بالجو وتصدر صوت أي من الرسومات التالية تكون فيها سرعة المصدر أقل من سرعة الصوت:

اختبارات عامر التعليمية

56 / 56

القسم: تجميعات الفيزياء ١٤٤٦ ه‍

ثلاث مصابيح متصلة على التوازي (A,B,C) تعطل المصباح (A) ماذا يحدث للمصباحين الآخرين:

درجاتك هي

 ✅✅ قم بالنشر الآن مع اصدقائك لدعمنا 

LinkedIn Facebook Twitter
0%

الخروج

 ✅ نتمنى أن تكون أعجبتك تجربتنا 

 ✅ شكرا لمساعدتك في تحسين أدائنا